|
公司基本資料信息
|
|||||||||||||||
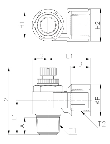
NSCF01,NSCF02,NSCF03,NSCF04,調(diào)速閥
| Model | ∅P | T1 | A | T2 | B | L1 | L2/MIN | L2/MAX | E1 | E2 | H1(Hex) | H2(Hex) | WEIGHT(g) | EA(BOX) |
| NSCF01 | 14.5 | R 1/8 | 7.6 | Rc 1/8 | 10 | 16 | 35.5 | 40.7 | 18.2 | 7.3 | 12 | 15 | 30.1 | 50 |
| NSCF02 | 18 | R 1/4 | 10.6 | Rc 1/4 | 13 | 21.1 | 40.3 | 46.6 | 26.5 | 9.5 | 15 | 19 | 60.2 | 25 |
| NSCF03 | 23 | R 3/8 | 12.6 | Rc 3/8 | 14.5 | 25 | 46.9 | 54.9 | 30.8 | 11.6 | 19 | 24 | 107 | 20 |
| NSCF04 | 26.5 | R 1/2 | 14.5 | Rc 1/2 | 19 | 29.1 | 54 | 60.1 | 38.7 | 14 | 24 | 28 | 170.1 | 15 |
外形尺寸
