|
公司基本資料信息
|
|||||||||||||||



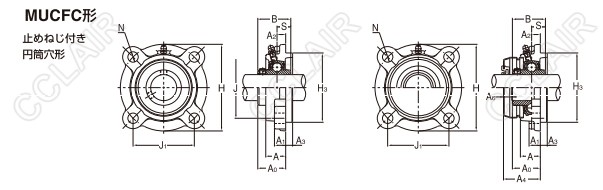
MUCFC201,MUCFC201C,MUCFC201E,
MUCFC202,MUCFC202C,MUCFC202E,
MUCFC203,MUCFC203C,MUCFC203E,
MUCFC204,MUCFC204C,MUCFC204E,
MUCFC205,MUCFC205C,MUCFC205E,
MUCFC206,MUCFC206C,MUCFC206E,
MUCFC207,MUCFC207C,MUCFC207E,
MUCFC208,MUCFC208C,MUCFC208E,